Skip to content Skip to sidebar Skip to footer

Widget HTML #1

Dewalt Emglo Air Compressor, Dewalt Emglo Air Compressor In Columbia Mo Item A9411 Sold Purple Wave : Air compressor is designed with a high efficiency motor for easy start up in cold weather or extension cord applications.

Dewalt Emglo Air Compressor, Dewalt Emglo Air Compressor In Columbia Mo Item A9411 Sold Purple Wave : Air compressor is designed with a high efficiency motor for easy start up in cold weather or extension cord applications.. 225 psi max tank storage pressure provides a user with 80% more usable air than the industry leader. Dewalt emglo air compressor g8hga. Find the best deal on automotive parts at a napa auto parts store near me. Repair parts and pumps for your dewalt/emglo air compressor. Free shipping on orders over $25.00.

Small engine, lawn & garden. Repair parts for all emglo air compressors. Heating, cooling & climate control. This compressor has 2 universal couplers to easily support 2 users. 5.0 scfm @ 90 psi allows the compressor to recover quickly after its initial tank charge is exhausted.

Pg14 Emglo Air Compressor Gauge 1 1 2 200psi Dewalt Jenny Tri City Tool Parts Inc
Pg14 Emglo Air Compressor Gauge 1 1 2 200psi Dewalt Jenny Tri City Tool Parts Inc from cdn.shopify.com
Dewalt emglo jenny air compressor start power capacitor oem replacement new. Air compressor is designed with a high efficiency motor for easy start up in cold weather or extension cord applications. Heating, cooling & climate control. Vertical stand feature and collapsible handle allows a user to save space by transporting or storing the compressor in a vertical position. Our wide range of corded air compressors deliver power for big jobs, and our new flexvolt® cordless air compressor offers the versatility to work anywhere. Power supply 120v ac, 15 amps, 60 hz, 2 pole induction motor. 4.3 out of 5 stars. Air compressor the dewalt dwfp55126 6 gal.

Power supply 120v ac, 15 amps, 60 hz, 2 pole induction motor.

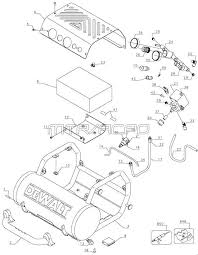
Our site is easy to shop and we have online schematics, tech docs and videos available. Air compressor is designed with a high efficiency motor for easy start up in cold weather or extension cord applications. Repair parts for all dewalt air compressors. Sold by powertoolreplacementparts and ships from amazon fulfillment. Dewalt air compressor won't build pressure. Werkzeug und baumaterial fΓΌr profis und heimwerker. Our wide range of corded air compressors deliver power for big jobs, and our new flexvolt® cordless air compressor offers the versatility to work anywhere. Dewalt emglo air compressor g8hga. This compressor has 2 universal couplers to easily support 2 users. In commercial work, there are usually several trades on site. Free shipping on orders over $25.00. Heating, cooling & climate control. Dewalt d55155 compressor replacement regulator repair kitm.

All emglo air compressor parts. I have a dewalt compressor model # d55146. S p o n s o r e d. Jerry _____ jerry, sorry you are having the problem with your compressor. Dewalt d55155 compressor replacement regulator repair kitm.

Dewalt Emglo Dual Tank Air Compressor Heavy Construction Equipment Light Equipment Support Air Compressors Online Auctions Proxibid
Dewalt Emglo Dual Tank Air Compressor Heavy Construction Equipment Light Equipment Support Air Compressors Online Auctions Proxibid from images.proxibid.com
5 out of 5 stars Select your emglo model from all of the units below, or search your model by category instead, by clicking on the red links below. Dewalt owns emglo compressor models with 17 gallon tanks and under. Dewalt emglo air compressor g8hga. Repair parts and pumps for your dewalt/emglo air compressor. Repair parts for all emglo air compressors. Nailer the dewalt dwfp55126 6 gal. The compressor delivers 3.2 cubic feet per minute at 100 psi.

Craftsman makes all kinds of power tools, including air compressors.

Dewalt emglo jenny air compressor start power capacitor oem replacement new. Small engine, lawn & garden. The motor runs good but does not build pressure. All dewalt air compressor parts. Heating, cooling & climate control. Dewalt air compressors are built to perform. Free shipping on orders over $25.00. Need help replacing the regulator repair kit (part n008792) in your dewalt air compressor? Select your emglo model from all of the units below, or search your model by category instead, by clicking on the red links below. Find the best deal on automotive parts at a napa auto parts store near me. This compressor has 2 universal couplers to easily support 2 users. 165 psi electric pancake air compressor the dewalt dwfp55126 6 gal. Repair parts and pumps for your dewalt/emglo air compressor.

All emglo air compressor parts. Air compressor is designed with a high efficiency motor for easy start up in cold weather or extension cord applications. Our wide range of corded air compressors deliver power for big jobs, and our new flexvolt® cordless air compressor offers the versatility to work anywhere. On november 20, 2003, jenny purchased the emglo line of industrial stationary air compressors and the entire air compressor pump manufacturing facility from black&decker/dewalt prior to the relocation of their plant to renosa, mexico. Select your dewalt model from all of the units below, or search your model by category instead, by clicking on the red links below.

Dewalt Emglo 4 Gallon Air Compressor In Spring Hill Ks Item C9085 Sold Purple Wave
Dewalt Emglo 4 Gallon Air Compressor In Spring Hill Ks Item C9085 Sold Purple Wave from d323w7klwy72q3.cloudfront.net
5 out of 5 stars Repair parts for all emglo air compressors. Dewalt is part of black&decker. 165 psi electric pancake air compressor the dewalt dwfp55126 6 gal. Craftsman makes all kinds of power tools, including air compressors. Air compressor the dewalt dwfp55126 6 gal. Dewalt kompressor zum kleinen preis bestellen. S p o n s o r e d.

I have a dewalt compressor model # d55146.

Select your dewalt model from all of the units below, or search your model by category instead, by clicking on the red links below. Air compressor the dewalt dwfp55126 6 gal. Free shipping on orders over $25.00. On november 20, 2003, jenny purchased the emglo line of industrial stationary air compressors and the entire air compressor pump manufacturing facility from black&decker/dewalt prior to the relocation of their plant to renosa, mexico. Repair parts for all emglo air compressors. Dewalt owns emglo compressor models with 17 gallon tanks and under. Need help replacing the regulator repair kit (part n008792) in your dewalt air compressor? Dewalt emglo air compressor g8hga. Repair parts and pumps for your dewalt/emglo air compressor. All dewalt air compressor parts. Ships from and sold by buckeye tool supply. Nailer the dewalt dwfp55126 6 gal. 4.3 out of 5 stars.

Small engine, lawn & garden emglo air compressor. 5.0 scfm @ 90 psi allows the compressor to recover quickly after its initial tank charge is exhausted.